Nur für Gewerbetreibende

Wir haben vom 24.12. bis 02.01.2026 geschlossen - Shop-Bestellungen werden ab dem 05.01.2026 wieder bearbeitet.

Abbildung ähnlich
Simpson Strong-Tie

Simpson Strong Tie Appel-Scheibendübel B1 80x13x23

5701953364311 5701953364311 B1-80M12-B
auf Anfrage
je 1 St
keine Verfügbarkeitsinformationen

Verpackungseinheiten

100 St

Verkaufsdaten

Mindestbestellmenge 1 St
Bestellschritt 1 St

Beschreibung

Achtung: Beschaffungsartikel!

 

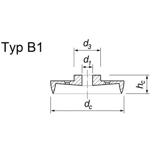
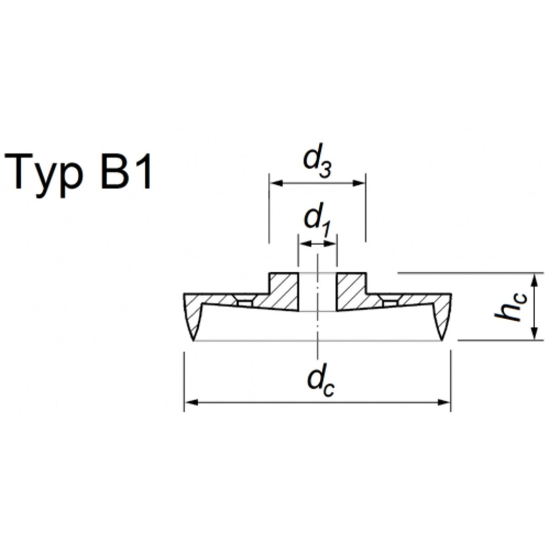
Typ B1 Scheibendübel des Typs B1 sind Dübel besonderer Bauart, die aus einer runden Scheibe mit einem umlaufenden Flansch und einer auf der gegenüberliegenden Seite zylindrischen Nabe mit einem Bolzenloch in der Scheibenmitte bestehen. Die Kraftübertragung erfolgt über diese Nabe und einer dazu passenden Bohrung im Stahlteil.

Merkmale

Ausführung 80x13x23
Typ B1
Maß t 6 mm
WhatsApp
Mail
Anrufen