Nur für Gewerbetreibende

Abbildung ähnlich

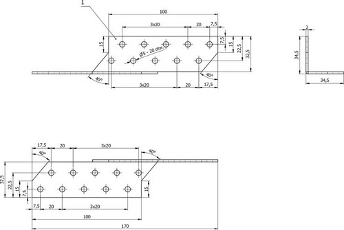
Sparren-Pfettenanker- rechts 32x170x2,0 mm

4053569888578 4053569888578
keine Lagerware
auf Anfrage
je 100 St.
keine Verfügbarkeitsinformationen

Verkaufsdaten

Mindestbestellmenge 20 St.
Bestellschritt 20 St.

Beschreibung

Sparrenpfettenanker

• Zur Befestigung von Dachsparren
• Rechts
• Stärke 2,0 mm
• Verzinkt

Merkmale

Abmessung 32 x 170 mm
Zertifikat ETA 22/0631
WhatsApp
Mail
Anrufen