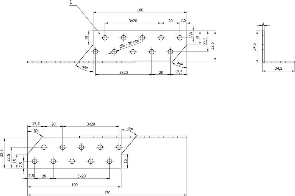
Sparren-Pfettenanker- rechts 32x170x2,0 mm
4053569888578
4053569888578
keine Lagerware
auf Anfrage
je 100 St.
keine Verfügbarkeitsinformationen
Funktionen
Verkaufsdaten
| Mindestbestellmenge | 20 St. |
| Bestellschritt | 20 St. |
Beschreibung
Sparrenpfettenanker
• Zur Befestigung von Dachsparren
• Rechts
• Stärke 2,0 mm
• Verzinkt
Merkmale
| Abmessung | 32 x 170 mm |
| Zertifikat | ETA 22/0631 |